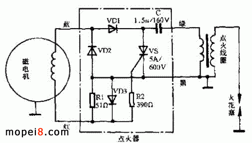
玉河 YH50Q-Ⅱ 型摩托車電子點火器電路見下圖所示。其印刷電路板封裝在用環氧樹脂密封的塑料殼內,共有綠、藍、黑、紅四條引出線。綠線與黑線接點火線圈,藍線與紅線接磁電機。

用萬用表的黑、紅兩表筆分別接點火器的綠、黑兩條引出線,將萬用表置于電壓擋上;打開點火開關,踏下啟動桿數次,觀察萬用表是否有 6V 左右的電壓顯示,若沒有,說明點火器有故障。手頭沒有萬用表,也可找一該車的轉向燈或尾燈燈泡,接在綠、黑引出線之間,打開點火開關,踏下啟動桿數次,看燈泡是否亮,若不亮,也說明點火器有故障。發現點火器有故障,可以拆開進行檢修。首先通過加熱方式取下塑料殼,然后將其放置在烘箱內( 150℃ )或采用大功率烙鐵加熱使環氧樹脂軟化,再用尖狀工具慢慢地剔開(注意不要急于求成,以防損壞內部元件),取出印刷電路板。
點火器的故障一般是由于二極管 VD1 ( 2CZ851 )或可控硅( VS )損壞引起的。檢查二極管 VD1 的方法是:將萬用表置于 R×10k 擋,黑、紅兩表筆分別接二極管兩端,測得一電阻值;然后將黑、紅兩表筆對調,再接在二極管兩端,又測得一電阻值。若兩次測得的電阻值相差較大,說明二極管正常;若兩次測得的電阻值相差不多(都較大或較小),說明二極管已損壞。
若無 2CZ851 的二極管更換,也可用 IN4007 的二極管代替。檢查可控硅( VS )的方法是:將車上的蓄電池取下,找一該車的轉向燈或尾燈燈泡,按下圖所示電路接好,此時若燈泡亮,說明可控硅失效;若燈泡不亮,則用導線將可控硅的陽極 a 與控制極 g 短接一下,燈泡隨之發亮,取下導線燈泡仍發亮,說明可控硅良好;否則在導線短接時燈泡不亮或導線短接時燈泡發亮而取下導線燈泡不發亮,均說明此可控硅失效,應更換。

用電烙鐵將已損壞或失效的元件更換后,設法再使環氧樹脂軟化,按原樣將印刷電路板封裝在塑料殼內即可。





